Norma PN-EN ISO 10211:2017-09 - Mostki cieplne w budynkach - Strumienie ciepła i temperatury powierzchni - Obliczenia szczegółowe - pełna treść online

Potrzebujesz profesjonalnej pomocy w odbiorze technicznym?

Norma budowlana PN-EN ISO 10211:2017-09 za darmo

Artykuł analizuje problematykę odpłatności za polskie normy budowlane, które są przywoływane w rozporządzeniach jako obowiązkowe. W ramach protestu przeciwko ograniczaniu jawności prawa, przybliżamy kluczowe założenia normy PN-EN ISO 10211:2017-09, określającej zasady modelowania i obliczania mostków cieplnych. Dokument ten jest niezbędny do prawidłowej oceny ryzyka wystąpienia kondensacji powierzchniowej oraz precyzyjnego określenia strat ciepła przez detale konstrukcyjne budynku.

Potrzebujesz pomocy przy odbiorze nieruchomości od dewelopera?

Zamów fachową pomoc w odbiorze z Pewny Lokal!

  • Nie da się sprawdzić odbieranego mieszkania lub domu bez profesjonalnego, atestowanego (i drogiego!) sprzętu pomiarowego oraz znajomości norm.
  • Naprawa usterek w standardowym mieszkaniu kosztuje średnio 30 000 zł — jeśli usterki zostaną zgłoszone podczas odbioru, to naprawi je deweloper.
  • Inżynierowie Pewny Lokal znajdą wszystkie usterki w Twoim mieszkaniu. Gwarantujemy.

Gwarancja wyłapania usterek.
Doświadczeni inżynierowie.
Duża dyspozycyjność.

Strzałka zarezerwuj

Norma budowlana PN-EN ISO 10211:2017-09 PDF

pobierz plik
Pobierz pdf

Norma budowlana PN-EN ISO 10211:2017-09 DOC

pobierz plik
Pobierz doc

W Polsce obowiązuje żelazna zasada: ignorantia iuris nocet – nieznajomość prawa szkodzi. Obywatel ma obowiązek stosować się do przepisów, a państwo ma obowiązek umożliwić mu ich bezpłatne poznanie. Jednak w polskim systemie prawnym istnieje niebezpieczna „szara strefa” – normy techniczne. Aby przełamać tę barierę, udostępniliśmy zbiór wykupionych przez nas norm budowlanych, z których każdy może teraz skorzystać bezpłatnie. O tym, dlaczego zdecydowaliśmy się na ten krok i jakie ma on znaczenie dla praworządności, opowiada dr Piotr Semeniuk w 30. odcinku podcastu.

Fundament energooszczędności: PN-EN ISO 10211:2017-09

Norma PN-EN ISO 10211:2017-09, dotycząca szczegółowych obliczeń strumieni ciepła i temperatur powierzchni na mostkach cieplnych, nie jest jedynie teoretycznym modelem dla naukowców. Jest ona fundamentem współczesnego budownictwa. Zgodnie z Rozporządzeniem Ministra Infrastruktury z dnia 12 kwietnia 2002 r. w sprawie warunków technicznych, jakim powinny odpowiadać budynki i ich usytuowanie, projektant ma obowiązek tak zaprojektować przegrody, aby wykluczyć ryzyko kondensacji pary wodnej i zminimalizować straty ciepła.

To właśnie ta norma określa, jak precyzyjnie wyliczyć, czy w rogu Twojego pokoju nie pojawi się wilgoć i pleśń. Dlaczego zatem dostęp do wiedzy o tym, jak uniknąć degradacji biologicznej mieszkania, jest płatny?

Problem płatnego dostępu do wiedzy o izolacyjności

Obecnie Polski Komitet Normalizacyjny (PKN) traktuje normy jak produkt rynkowy, sprzedając dostęp do nich za niemałe kwoty. Uważamy, że jest to sytuacja niedopuszczalna z kilku powodów:

  • Normy to prawo techniczne: W momencie, gdy rozporządzenie odwołuje się do konkretnej normy w celu spełnienia wymagań izolacyjności cieplnej budynku, staje się ona integralną częścią systemu prawnego. Ukrywanie zasad obliczania mostków cieplnych za płatną barierą to uderzenie w zasady demokratycznego państwa prawnego.
  • Bariera dla obywatela i inżyniera: Architekt, audytor energetyczny, a przede wszystkim świadomy lokator, który chce sprawdzić, czy deweloper nie zaserwował mu "energetycznego bubla" z wadliwymi detalami konstrukcyjnymi, musi zapłacić za dostęp do wytycznych. To prywatyzacja zysków z wiedzy, która bezpośrednio służy ochronie mienia i zdrowia mieszkańców.
  • Brak transparentności: Deweloperzy często korzystają z faktu, że przeciętny obywatel nie potrafi zweryfikować poprawności obliczeń współczynników sprzężenia cieplnego. Darmowy dostęp do tych standardów to jedyne narzędzie, które pozwala realnie kontrolować jakość cieplną oddawanych do użytku budynków.
pewny lokal icon

Kupujesz lub sprzedajesz nieruchomość?

speed clock

Uniknij kosztownych błędów! W 60 sekund odpowiedz na 5 prostych pytań, a my powiemy Ci, na co uważać!

house icon

Kupujesz czy sprzedajesz nieruchomość?

Ostatnie pytanie: Zaznacz umowy, które według Twojej wiedzy podpisałeś/aś:

Ostatnie pytanie: Zaznacz umowy, które według Twojej wiedzy podpisałeś/aś:

Ostatnie pytanie: Zaznacz umowy, które według Twojej wiedzy podpisałeś/aś:

Ostatnie pytanie: Zaznacz umowy, które według Twojej wiedzy podpisałeś/aś:

Ostatnie pytanie: Zaznacz umowy, które według Twojej wiedzy podpisałeś/aś:

Gratulujemy podjęcia decyzji! Pamiętaj jednak, że jeśli kupujesz dom od dewelopera, który już jest wybudowany, to bardzo ważne, żebyś m.in.:

  1. Sprawdził dokładnie zapisy umowne - najpewniej będziesz podpisywać umowę przedwstępną, a nie deweloperską. To ważna różnica!
  2. Zweryfikował dewelopera i bezpieczeństwo inwestycji - nieruchomości domowe to mniej "ucywilizowany" niż rynek mieszkaniowy!
  3. Miał prawo do odbioru deweloperskiego i wiedzę techniczną, jak sprawdzić nieruchomość. W przypadku domów to szczególnie ważne!

Pod tym linkiem udostępniamy Ci darmowy poradnik.

Publikując poniższe założenia normy, przywracamy jawność standardom, które bezpośrednio wpływają na wysokość Twoich rachunków za ogrzewanie oraz zdrowy klimat w Twoim domu.

Zakres normy

W niniejszym dokumencie podano specyfikacje trójwymiarowych i dwuwymiarowych modeli geometrycznych mostka cieplnego do komputerowego obliczenia:

  • przepływów ciepła, w celu oceny całkowitych strat ciepła z budynku lub jego części; oraz
  • minimalnych temperatur powierzchni, w celu oceny ryzyka kondensacji powierzchniowej.

Te specyfikacje obejmują granice geometryczne i dalsze podziały modelu, cieplne warunki brzegowe oraz wartości cieplne i zależności, które należy stosować. Niniejszy dokument oparto na następujących założeniach:

  • wszystkie właściwości fizyczne są niezależne od temperatury;
  • wewnątrz elementu budynku nie występują źródła ciepła.

Niniejszy dokument można także stosować do wyprowadzania liniowych i punktowych współczynników przenikania ciepła i czynników temperatury powierzchni.

UWAGA: W Tablicy 1 we Wprowadzeniu, wskazano względną pozycję niniejszego dokumentu w zestawie norm EPB, w kontekście modułowej struktury określonej w ISO 52000-1.

Powołania normatywne

Do stosowania niniejszego dokumentu są niezbędne podane niżej dokumenty, które, w całości lub w części, zostały w nim normatywnie powołane. W przypadku powołań datowanych ma zastosowanie wyłącznie wydanie cytowane. W przypadku powołań niedatowanych stosuje się ostatnie wydanie dokumentu powołanego (łącznie ze zmianami).

  • ISO 6946, Building components and building elements – Thermal resistance and thermal transmittance – Calculation method
  • ISO 7345, Thermal insulation – Physical quantities and definitions
  • ISO 13370, Thermal performance of buildings – Heat transfer via the ground – Calculation methods
  • ISO 13788, Hygrothermal performance of building components and building elements – Internal surface temperature to avoid critical surface humidity and interstitial condensation – Calculation methods
  • ISO 10456, Building materials and products – Hygrothermal properties – Tabulated design values and procedures for determining declared and design thermal values
  • ISO 13789, Thermal performance of buildings – Transmission and ventilation heat transfer coefficients – Calculation method
  • ISO 52000-1:2017, Energy performance of buildings – Overarching EPB assessment – Part 1: General framework and procedures

UWAGA 1:  Odniesienia domyślne do norm EPB innych niż ISO 52000-1 zidentyfikowano poprzez numer kodu modułu EPB i podano w Załączniku A (szablon normatywny w Tablicy A.1) i Załączniku B (informacyjny wybór domyślny w Tablicy B.1).

PRZYKŁAD: Numer kodu modułu EPB: M5–5 lub M5–5,1 (jeśli moduł M5–5 podzielono) lub M5–5/1 (jeśli jest odniesienie do określonego rozdziału normy obejmującej M5–5).

UWAGA 2: W niniejszym dokumencie nie podano wyborów w odniesieniach do innych norm EPB. Powyższe zdanie i uwagę utrzymano w celu zachowania jednolitości wszystkich norm EPB.

Terminy i definicje

W niniejszym dokumencie stosuje się terminy i definicje podane w ISO 7345, ISO 52000-1 oraz podane niżej. ISO i IEC prowadzą bazy terminologiczne, do wykorzystania w normalizacji, pod następującymi adresami:

  • IEC Elektropedia
  • Platforma przeglądania online ISO: dostępna pod adresem http://www.iso.org/obp

3.1 mostek cieplny

część obudowy budynku, gdzie jednolity opór cieplny uległ znaczącej zmianie w wyniku całkowitej lub częściowej penetracji obudowy budynku przez materiały o różnym współczynniku przewodzenia ciepła i/lub zmiany grubości struktury, i/lub różnicy między wewnętrznymi i zewnętrznymi polami powierzchni, jakie występują przy połączeniach ściana-podłoga-sufit

3.2 liniowy mostek cieplny

mostek cieplny (3.1) o jednolitym przekroju poprzecznym wzdłuż jednej z trzech osi prostopadłych

3.1.3 punktowy mostek cieplny

zlokalizowany mostek cieplny (3.1), którego wpływ można przedstawić za pomocą punktowego współczynnika przenikania ciepła (3.20)

3.4 model geometryczny trójwymiarowy, model geometryczny 3-D

model geometryczny wydedukowany z planów budowlanych w taki sposób, że dla każdej osi prostopadłej przekrój poprzeczny prostopadły do tej osi zmienia się w obrębie granic modelu. Uwaga 1 do hasła: Patrz Rysunek 1.

3.5 element boczny trójwymiarowy, element boczny 3-D

część modelu geometrycznego 3-D (3.4), który, rozpatrywany odrębnie, może być reprezentowany przez model geometryczny 2-D (3.7). Uwaga 1 do hasła: Patrz Rysunek 1 i Rysunek 2.

3.6 element centralny trójwymiarowy, element centralny 3-D

część modelu geometrycznego 3-D (3.4), który nie jest elementem bocznym 3-D (3.5). Uwaga 1 do hasła: Patrz Rysunek 1., Uwaga 2 do hasła: Element centralny jest reprezentowany przez model geometryczny 3-D (3.4).

3.7 model geometryczny dwuwymiarowy, model geometryczny 2-D

model geometryczny wydedukowany z planów budowlanych w taki sposób, że dla jednej osi prostopadłej przekrój poprzeczny prostopadły do tej osi nie zmienia się w obrębie granic modelu. Uwaga 1 do hasła: Patrz Rysunek 2. Uwaga 2 do hasła: Model geometryczny 2-D stosuje się do obliczeń dwuwymiarowych.

3.8 element boczny dwuwymiarowy, element boczny 2-D

część modelu geometrycznego 2-D (3.7), która, rozpatrywana oddzielnie, składa się z płaskich równoległych warstw materiału. Uwaga 1 do hasła: Płaskie, równoległe warstwy materiału mogą być jednorodne lub niejednorodne.

3.9 element centralny dwuwymiarowy, element centralny 2-D

część modelu geometrycznego 2-D (3.7), która nie jest elementem bocznym 2-D (3.8)

3.10 płaszczyzna konstrukcyjna

płaszczyzna w modelu geometrycznym 3-D (3.4) lub modelu geometrycznym 2-D (3.7), która oddziela różne materiały i/lub model geometryczny od pozostałej konstrukcji, i/lub elementy boczne od elementu centralnego. Uwaga 1 do hasła: Patrz Rysunek 3.

3.11 płaszczyzna przekroju

płaszczyzna konstrukcyjna (3.10), stanowiąca granicę modelu geometrycznego 3-D (3.4) lub modelu geometrycznego 2-D (3.7) przez oddzielenie modelu od pozostałej konstrukcji. Uwaga 1 do hasła: Patrz Rysunek 3.

3.12 płaszczyzna pomocnicza

płaszczyzna, która, oprócz płaszczyzn konstrukcyjnych (3.10) dzieli model geometryczny na liczne komórki

3.13 warstwa prawie jednorodna

warstwa składająca się co najmniej z dwóch materiałów o różnych współczynnikach przewodzenia ciepła, ale którą można rozpatrywać jako warstwę jednorodną o równoważnym współczynniku przewodzenia ciepła. Uwaga 1 do hasła: Patrz Rysunek 4.

3.14 czynnik temperatury przy powierzchni wewnętrznej

różnica temperatury powierzchni wewnętrznej i temperatury zewnętrznej, podzielona przez różnicę temperatury wewnętrznej i zewnętrznej, obliczona przy oporze powierzchni Rsi przy powierzchni wewnętrznej

3.15 czynnik wagowy temperatury

czynnik wagowy, który ustala indywidualny wpływ temperatur różnych środowisk cieplnych na temperaturę powierzchni w rozpatrywanym punkcie

3.16 temperatura brzegowa zewnętrzna

temperatura powietrza zewnętrznego, przy założeniu, że temperatura powietrza i temperatura promieniowania widziana przez powierzchnię są równe

3.17 temperatura brzegowa wewnętrzna

temperatura operacyjna, przyjęta jako średnia wartość arytmetyczna temperatury powietrza zewnętrznego i średniej temperatury promieniowania dla wszystkich powierzchni otaczających środowisko wewnętrzne

3.18 współczynnik sprzężenia cieplnego

strumień ciepła podzielony przez różnicę temperatury między dwoma środowiskami połączonymi cieplnie rozpatrywaną konstrukcją

3.19 liniowy współczynnik przenikania ciepła

strumień ciepła w stanie ustalonym porównany do referencyjnego strumienia ciepła obliczonego z pominięciem mostka cieplnego (3.1), podzielony przez długość i różnicę temperatur między środowiskami po obu stronach liniowego mostka cieplnego (3.2). Uwaga 1 do hasła: Liniowy współczynnik przenikania ciepła jest wielkością opisującą wpływ liniowego mostka cieplnego na całkowity przepływ ciepła.

3.20 punktowy współczynnik przenikania ciepła

strumień ciepła w stanie ustalonym porównany do referencyjnego strumienia ciepła obliczonego z pominięciem mostka cieplnego (3.1), podzielony przez różnicę temperatur między środowiskami po obu stronach liniowego mostka cieplnego (3.3). Uwaga 1 do hasła: Punktowy współczynnik przenikania ciepła jest wielkością opisującą wpływ punktowego mostka cieplnego na całkowity przepływ ciepła.

3.21 norma EPB

norma zgodna z wymaganiami podanymi w ISO 52000-1, CEN/TS 16628 [5] i CEN/TS 16629 [6]. Uwaga 1 do hasła: Te trzy podstawowe dokumenty EPB opracowano na podstawie mandatu, udzielonego CEN przez Komisję Europejską i Europejskie Stowarzyszenie Wolnego Handlu; wspierają one zasadnicze wymagania dyrektywy UE 2010/31/WE dotyczącej energetycznych właściwości użytkowych budynków. Kilka norm EPB i dokumentów związanych opracowano lub zmieniono na podstawie tego samego mandatu.

Rysunek 1 – Model geometryczny 3-D z pięcioma elementami bocznymi 3-D i jednym elementem centralnym 3-DRysunek 1 – Model geometryczny 3-D z pięcioma elementami bocznymi 3-D i jednym elementem centralnym 3-D


Objaśnienia

F1, F2, F3, F4, F5 - elementy boczne 3-D

C - element centralny 3-D

UWAGA: Elementy boczne 3-D mają stałe przekroje poprzeczne prostopadłe co najmniej do jednej osi; element centralny 3-D jest pozostałą częścią.


Rysunek 2 – Przekroje poprzeczne elementów bocznych 3-D w modelu geometrycznym 3-D traktowane jako modele geometryczne 2-DRysunek 2 – Przekroje poprzeczne elementów bocznych 3-D w modelu geometrycznym 3-D traktowane jako modele geometryczne 2-D

Objaśnienia

F1, F2, F3, F4, F5 - elementy boczne 3-D

UWAGA - F2 do F5 odnoszą się do Rysunku 1.

Rysunek 3 – Przykład modelu geometrycznego 3-D przedstawiający płaszczyzny konstrukcyjneRysunek 3 – Przykład modelu geometrycznego 3-D przedstawiający płaszczyzny konstrukcyjne

Objaśnienia

  • Cx płaszczyzny konstrukcyjne prostopadłe do osi x
  • Cy płaszczyzny konstrukcyjne prostopadłe do osi y
  • Cz płaszczyzny konstrukcyjne prostopadłe do osi z

UWAGA

Płaszczyzny przycięcia zaznaczono wydłużonymi strzałkami; płaszczyzny oddzielające elementy boczne od elementu centralnego zaznaczono kółkiem.

Rysunek 4 – Przykład mniejszego punktowego mostka cieplnego, powodującego powstawanie trójwymiarowego przepływu ciepła zawartego w prawie jednorodnej warstwieRysunek 4 – Przykład mniejszego punktowego mostka cieplnego, powodującego powstawanie trójwymiarowego przepływu ciepła zawartego w prawie jednorodnej warstwie

Symbole i indeksy

4.1 Symbole

W niniejszym dokumencie stosuje się symbole podane w ISO 52000-1 oraz podane niżej.

SymboleSymbole

4.2 Indeksy

W niniejszym dokumencie stosuje się indeksy podane w ISO 52000-1 oraz podane niżej.

IndeksyIndeksy

Opis metody

5.1 Dane wyjściowe

W niniejszym dokumencie dane wyjściowe to liniowe współczynniki przenikania ciepła, punktowe współczynniki przenikania ciepła i temperatury powierzchni wewnętrznych. Ich wzory podano w Rozdziałach od 10 do 13. 

5.2 Opis ogólny

Rozkład temperatury w obrębie konstrukcji i przepływ ciepła przez konstrukcję można obliczyć, jeżeli warunki brzegowe i detale konstrukcyjne są znane. W tym celu model geometryczny dzieli się na pewną liczbę komórek materiału, każda o jednorodnym współczynniku przewodzenia ciepła. Kryteria, które powinny być spełnione podczas konstruowania modelu, podano w Rozdziale 7. W Rozdziale 8 podano instrukcje do określania wartości współczynnika przewodzenia ciepła i warunków brzegowych. Rozkład temperatury określa się albo za pomocą obliczeń iteracyjnych, albo techniką bezpośredniego rozwiązania, przy czym rozkład temperatury w obrębie komórek materiału określa się przez interpolację. Zasady obliczania i metodę określania rozkładu temperatury podano w Rozdziale 9.

UWAGA: Specyficzne procedury dla ram okiennych podano w ISO 10077-2.

Dane wyjściowe i dane wejściowe

6.1 Dane wyjściowe

Dane wyjściowe wymieniono w Tablicy 2.

Dane wyjścioweDane wyjściowe


6.2 Obliczanie przedziałów czasu

W większości przypadków obliczenia opisane w niniejszym dokumencie są w stanie ustalonym i nie mają przedziałów czasu. Jeśli wykonuje się obliczenia w celu uzyskania okresowych współczynników przenikania ciepła (patrz 7.2.5), przedział czasu wynosi 1 h lub mniej.

6.3 Dane wejściowe

W Tablicach 3 i 4 zidentyfikowano dane wejściowe wymagane do obliczenia.

Tablica 3 – Indentyfikatory charakterystyk geometrycznychTablica 3 – Indentyfikatory charakterystyk geometrycznych

Tablica 4 – Indentyfikatory charakterystyk cieplnych komponentu budowlanegoTablica 4 – Indentyfikatory charakterystyk cieplnych komponentu budowlanego

Modelowanie konstrukcji

7.1 Systemy wymiarów

Długości można zmierzyć z zastosowaniem wymiarów wewnętrznych, całkowitych wymiarów wewnętrznych lub wymiarów zewnętrznych zgodnie z systemem stosowanym w odniesieniu do budynku (patrz ISO 13789).

7.2 Zasady modelowania

7.2.1 Postanowienia ogólne

Zazwyczaj nie jest łatwe wymodelowanie kompletnego budynku z zastosowaniem pojedynczego modelu geometrycznego. W większości przypadków budynek dzieli się na wiele części (łącznie z podłożem, w stosownych wypadkach) z zastosowaniem płaszczyzn wycięcia. Podział ten należy przeprowadzać w taki sposób, aby w wynikach obliczania między budynkiem podzielonym i budynkiem traktowanym jako całość uniknąć jakichkolwiek różnic. Taki podział na wiele modeli geometrycznych uzyskuje się wybierając odpowiednie płaszczyzny wycięcia.

7.2.2 Płaszczyzny wycięcia dla modelu geometrycznego 3-D do obliczania całkowitego przepływu ciepła i/lub temperatur powierzchni

Model geometryczny zawiera element(-y) centralny(-e), elementy boczne i, w stosownych wypadkach, podłoże. Model geometryczny jest ograniczony płaszczyznami przekroju.

Płaszczyzny przekroju powinny być usytuowane następująco:

  • w płaszczyźnie symetrii, jeśli znajduje się bliżej niż dmin od elementu centralnego (patrz Rysunek 5);
  • co najmniej dmin od elementu centralnego, jeśli nie ma bliższej płaszczyzny symetrii (patrz Rysunek 6);
  • w gruncie, zgodnie z 7.2.4,

przy czym dmin jest większe niż 1 m i trzy razy większe niż grubość rozpatrywanego elementu bocznego. Model geometryczny może zawierać więcej niż jeden mostek cieplny. W takich przypadkach płaszczyzny przekroju powinny być usytuowane co najmniej dmin od każdego mostka cieplnego lub przy płaszczyźnie symetrii (patrz Rysunek 6).


Rysunek 5 – Płaszczyzny symetrii, które mogą być stosowane jako płaszczyzny wycięcia.Rysunek 5 – Płaszczyzny symetrii, które mogą być stosowane jako płaszczyzny wycięcia.

Rysunek 6 – Model geometryczny 3-D zawierający dwa mostki cieplneRysunek 6 – Model geometryczny 3-D zawierający dwa mostki cieplne


UWAGA: Mostek cieplny B nie spełnia warunku odległości co najmniej dmin (= 1 m) od płaszczyzny wycięcia [Rysunek 6 a)]. Poprawiono to, rozszerzając model w dwóch kierunkach [Rysunek 6 b)].

7.2.3 Płaszczyzny wycięcia dla modelu geometrycznego 2-D

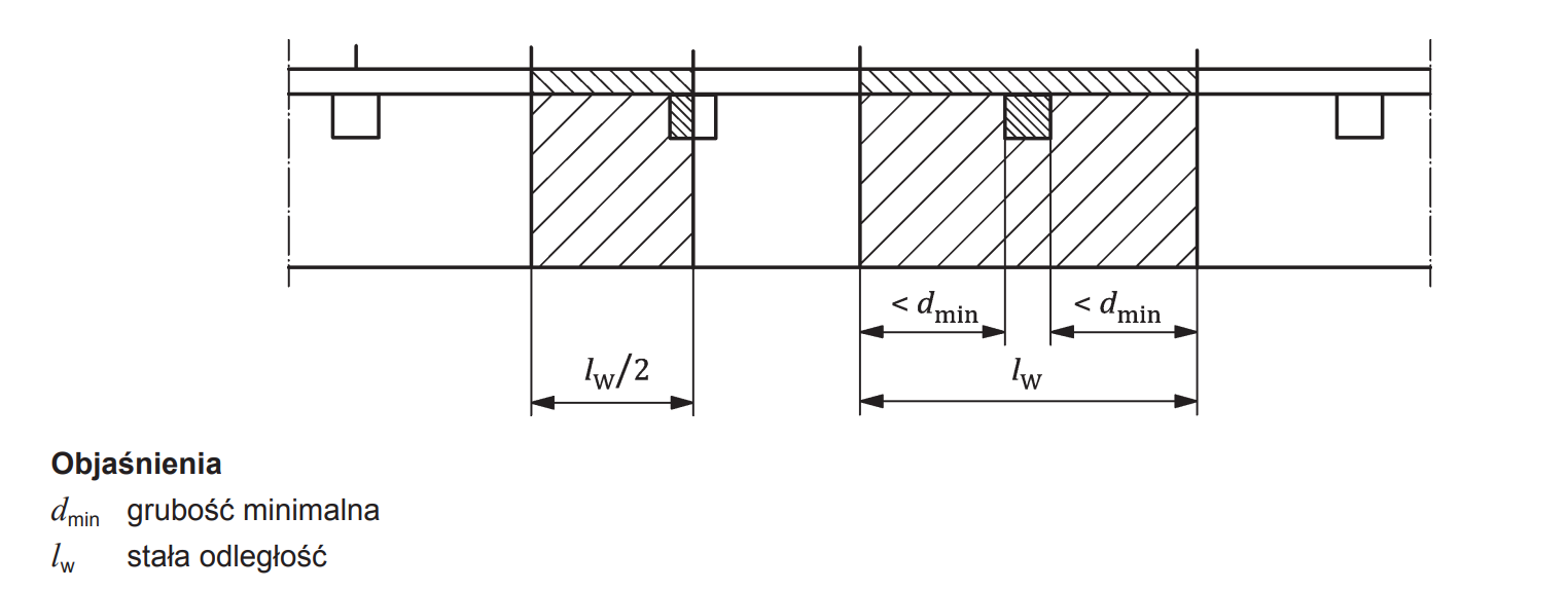
Takie same zasady jak podane w 7.2.2 stosuje się do modelu geometrycznego 2-D. Przykłady przedstawiono na Rysunku 7 i Rysunku 8. Szkic po lewej stronie na Rysunku 8 można stosować, jeśli mostek cieplny jest symetryczny.

Rysunek 7 – Usytuowanie płaszczyzn wycięcia co najmniej dmin od elementu centralnego w modelu geometrycznym 2-DRysunek 7 – Usytuowanie płaszczyzn wycięcia co najmniej dmin od elementu centralnego w modelu geometrycznym 2-D

Rysunek 8 – Przykład konstrukcji z liniowymi mostkami cieplnymi przy stałych odległościach, lw, przedstawiający płaszczyzny symetrii, które mogą być stosowane jako płaszczyzny wycięciaRysunek 8 – Przykład konstrukcji z liniowymi mostkami cieplnymi przy stałych odległościach, lw, przedstawiający płaszczyzny symetrii, które mogą być stosowane jako płaszczyzny wycięcia


7.2.4 Płaszczyzny wycięcia w gruncie

Jeżeli w obliczeniach uwzględnia się przenoszenie ciepła przez grunt (fundamenty, podłogi na gruncie, podziemia), płaszczyzny wycięcia w gruncie należy usytuować w sposób przedstawiony w Tablicy 5. Dotyczy to również gruntu poniżej ścian wewnętrznych będących w kontakcie z gruntem.

Tablica 5 – Usytuowanie płaszczyzn wycięcia w gruncieTablica 5 – Usytuowanie płaszczyzn wycięcia w gruncie


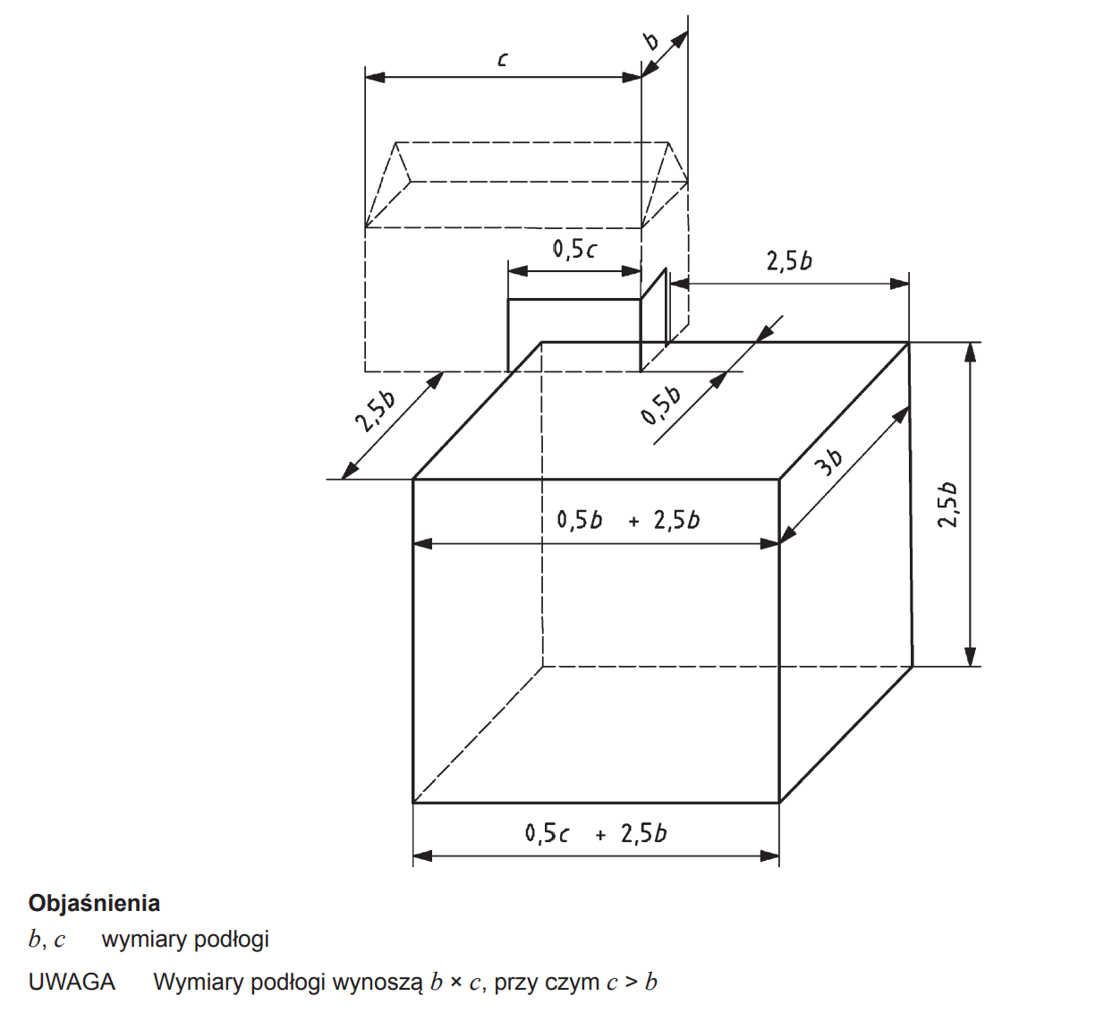
W przypadku obliczeń dwuwymiarowych stosuje się pionową płaszczyznę symetrii znajdującą się pośrodku podłogi (tak, że modeluje się jedną połowę budynku). W przypadku obliczeń trójwymiarowych w budynku prostopadłym, brane są pod uwagę pionowe granice adiabatyczne umieszczone w gruncie pośrodku przecięcia przez podłogę w każdym kierunku (tak, że jest modelowana jedna czwarta budynku). W przypadku budynków nieprostopadłych konieczne jest albo modelowanie kompletnego budynku (łącznie z gruntem ze wszystkich stron), albo zamiana problemu na dwuwymiarowy, z zastosowaniem budynku o nieskończonej długości i o szerokości równej charakterystycznemu wymiarowi podłogi, B (patrz ISO 13370). PRZYKŁAD: W przypadku podłogi przedstawionej na Rysunku 9, B = b · c/(b + c). Wszystkie płaszczyzny przekroju powinny być granicami adiabatycznymi.

7.2.5 Okresowe przepływy ciepła przez grunt

Kryteria podobne do podanych w 7.2.4 stosuje się do zależnych od czasu obliczeń komputerowych w celu określenia współczynników okresowego przenoszenia ciepła (jak zdefiniowano w ISO 13370), z wyjątkiem tego, że adiabatyczne płaszczyzny przekroju można przyjąć w położeniu równym podwójnej okresowej głębokości penetracji mierzonej od naroża podłogi w każdym kierunku (jeśli te wymiary są mniejsze niż wymiary określone w 7.2.4). Kolejne szczegóły, patrz 12.4.3.2.

7.2.6 Dostosowanie do wymiarów

Dopuszcza się dostosowanie do wymiarów modelu geometrycznego z uwzględnieniem rzeczywistej geometrii, jeżeli warunki wg 7.3.2 są spełnione.

Rysunek 9 – Ilustracja płaszczyzn wycięcia dla modelu geometrycznego 3-D, z uwzględnieniem gruntuRysunek 9 – Ilustracja płaszczyzn wycięcia dla modelu geometrycznego 3-D, z uwzględnieniem gruntu

Rysunek 10 – Ilustracja płaszczyzn wycięcia dla modelu geometrycznego 2-D, z uwzględnieniem gruntuRysunek 10 – Ilustracja płaszczyzn wycięcia dla modelu geometrycznego 2-D, z uwzględnieniem gruntu


7.2.7 Płaszczyzny pomocnicze

Liczba płaszczyzn pomocniczych w modelu powinna być taka, aby co najmniej jedno z poniższych kryteriów było spełnione:

  • podwojenie liczby podpodziałów nie zmienia obliczonego przechodzącego przepływu ciepła więcej niż o 1 %;
  • podwojenie liczby podpodziałów nie zmienia czynnika temperatury przy powierzchni wewnętrznej, fRsi, więcej niż o 0,005.

UWAGA 1:  Wymagania dotyczące walidacji metod obliczania podano w C.2.

UWAGA 2: Satysfakcjonujący podpodział modelu geometrycznego zazwyczaj uzyskuje się przyjmując założenie, że podpodziały będą najmniejsze w obrębie każdego elementu centralnego, a ich rozmiary będą stopniowo wzrastały do większych podpodziałów blisko płaszczyzn przekroju.

7.2.8 Prawie jednorodne warstwy i materiały

W modelu geometrycznym, materiały o różnych współczynnikach przewodzenia ciepła można zastąpić materiałem o pojedynczym współczynniku przewodzenia ciepła, jeżeli warunki wg 7.3.3 są spełnione.

UWAGA: Przykładami są połączenia w murze, kotwy ścienne we wnękach izolowanych cieplnie, śruby w drewnianych listwach, dachówki i towarzyszące wnęki powietrza oraz łaty.

7.3 Warunki upraszczania modelu geometrycznego

7.3.1 Postanowienia ogólne

Wyniki obliczeń uzyskane z modelu geometrycznego bez uproszczeń powinny być ważniejsze od wyników uzyskanych z modelu geometrycznego z uproszczeniami.

UWAGA: Jest to istotne, gdy wyniki obliczeń są zbliżone do każdej wymaganej wartości.

Można wykonać dopasowania opisane w 7.3.2. Szablon dalszych ograniczeń dotyczących uproszczenia modelu geometrycznego podano w Tablicy A.2, z informacyjnym domyślnym wyborem w Tablicy B.2.

7.3.2 Warunki dopasowania wymiarów w celu uproszczenia modelu geometrycznego

Dopasowanie do wymiarów jest możliwe jedynie w odniesieniu do materiałów o współczynniku przewodzenia ciepła mniejszym niż 3 W/(mּ∙K), jak opisano poniżej.

a) Zmiana położenia powierzchni bloku materiału przylegającego do wewnętrznej lub zewnętrznej powierzchni modelu geometrycznego (patrz Rysunek 11): w przypadku powierzchni niepłaskich, miejscowe dopasowanie prostopadłe do średniego położenia wewnętrznej lub zewnętrznej powierzchni, dc, nie powinno przekraczać wielkości określonej Wzorem (1):

dc = Rc · λ

w którym:

Rc - jest równy 0,03 m2·K/W;

λ - współczynnik przewodzenia ciepła rozpatrywanego materiału.

PRZYKŁAD: Powierzchnie skośne, krawędzie zaokrąglone i powierzchnie profilowane, takie jak dachówki.

Rysunek 11 – Zmiana położenia powierzchni wewnętrznej lub zewnętrznejRysunek 11 – Zmiana położenia powierzchni wewnętrznej lub zewnętrznej


b) Zmiana powierzchni przylegania dwóch obszarów różnego materiału:

  • zmiana położenia powierzchni przylegania powinna odbywać się w kierunku prostopadłym do powierzchni wewnętrznej;
  • zmiana położenia powierzchni przylegania powinna być taka, że materiał o mniejszym współczynniku przewodzenia ciepła zastępuje materiałem o większym współczynniku przewodzenia ciepła (patrz Rysunek 12).

PRZYKŁAD: Wgłębienia dla taśm uszczelniających, złączy zestawianych, bloków wyrównujących, gniazd ściennych i innych detali łączących.

c) Pominięcie cienkich warstw:

  • warstwy niemetalowe o grubości nie większej niż 1 mm można zignorować;
  • cienkie warstwy metalowe można zignorować jeżeli ustalono, że mają one pomijalny efekt przenoszenia ciepła.

PRZYKŁAD: Cienkie membrany chroniące przed przechodzeniem wilgoci, parą wodną lub wiatrem.

d) Pominięcie dodatków dołączonych do powierzchni zewnętrznej: komponenty budynku, które zostały dołączone do powierzchni zewnętrznej (tzn. dołączone w punktach dyskretnych) można pominąć.

PRZYKŁAD: Rynny deszczowe i rury odprowadzające.

7.3.3 Warunki stosowania prawie jednorodnych warstw materiału w celu uproszczenia modelu geometrycznego

7.3.3.1 Wszystkie obliczenia

Poniższe warunki włączania mniejszych liniowych i punktowych mostków cieplnych w warstwę prawie jednorodną stosuje się we wszystkich przypadkach:

  • warstwy rozpatrywanego materiału umieszcza się w części konstrukcji, która po uproszczeniu staje się elementem bocznym;
  • współczynnik przewodzenia ciepła warstwy prawie jednorodnej po uproszczeniu nie jest większy niż 1,5 razy
  • współczynnik przewodzenia ciepła materiałów obecnych w warstwie przed uproszczeniem.

7.3.3.2 Obliczenia w celu określenia współczynnika sprzężenia cieplnego L3D lub L2D

Równoważny współczynnik przewodzenia ciepła warstwy prawie jednorodnej, λ′, należy obliczyć zgodnie z Wzorem (2) lub Wzorem (3):

WzórWzór

w którym:

d - grubość warstwy niejednorodnej cieplnie;

A - pole powierzchni komponentu budowlanego;

ltb - długość liniowego mostka cieplnego;

L3D - współczynnik sprzężenia cieplnego komponentu budowlanego, określony przez obliczenie 3-D;

L2D - współczynnik sprzężenia cieplnego komponentu budowlanego, określony przez obliczenie 2-D;

dj - grubość każdej warstwy jednorodnej, która jest częścią elementu budowlanego;

λj - współczynniki przewodzenia ciepła tych warstw jednorodnych.

UWAGA: Zastosowanie Wzoru (2) lub Wzoru (3) jest odpowiednie, jeżeli występują liczne identyczne mniejsze mostki cieplne (kotwy ścienne, połączenia w murze, bloki z otworami itp.). Obliczenie współczynnika sprzężenia cieplnego może być ograniczone do pola powierzchni podstawy, które jest reprezentatywne dla warstwy niejednorodnej. Na przykład ściana szczelinowa z czterema kotwami ściennymi na metr kwadratowy może być reprezentowana przez pole powierzchni podstawy 0,25 m2 z jedną kotwą ścienną.

7.3.3.3 Obliczenia przeprowadzone w celu określenia wewnętrznej temperatury powierzchni lub liniowego współczynnika przenikania ciepła, Ψ, lub punktowego współczynnika przenikania ciepła, χ

Obliczenia z zastosowaniem liniowych i punktowych współczynników przenikania ciepła, patrz Rozdział 11. Równoważny współczynnik przewodzenia ciepła warstwy prawie jednorodnej, λ′, można przyjąć zgodnie z Wzorem (4):

WzórWzór


w którym:

λ1 ..... λn współczynniki przewodzenia ciepła materiałów składowych;

A1 ..... An pola powierzchni materiałów składowych zmierzone w płaszczyźnie warstwy, zapewniające że:

  • mostki cieplne w rozpatrywanej warstwie występują przy kątach prostych do wewnętrznej lub zewnętrznej powierzchni elementu budynku lub blisko nich i zagłębiają się w warstwę na całej jej grubości;
  • opór cieplny (powierzchnia do powierzchni) elementu budynku po uproszczeniu wynosi co najmniej 1,5 (m–1 2·K)/W;
  • warunki co najmniej jednej z grup ustalonych w Tablicy 6 są spełnione (patrz Rysunek 13).

Tablica 6 – Właściwe warunki włączenia liniowych lub punktowych mostków cieplnych do warstwy prawie jednorodnejTablica 6 – Właściwe warunki włączenia liniowych lub punktowych mostków cieplnych do warstwy prawie jednorodnej

Rysunek 13 – Właściwe warunki włączania liniowych i punktowych mostków cieplnych w warstwę prawie jednorodną dla grup podanych w Tablicy 6Rysunek 13 – Właściwe warunki włączania liniowych i punktowych mostków cieplnych w warstwę prawie jednorodną dla grup podanych w Tablicy 6

Specyfikacje danych wejściowych

8.1 Postanowienia ogólne

Zastosować wartości opisane w niniejszym rozdziale, chyba że wartości niestandardowe są dostosowane do szczególnej sytuacji.

UWAGA: Wartości niestandardowe można uzasadnić warunkami lokalnymi (np. ustalony rozkład temperatury w gruncie) lub szczególnymi właściwościami materiału (np. efekt powłoki o niskiej emisyjności na opór powierzchni).

8.2 Współczynniki przewodzenia ciepła materiałów

Wartości projektowe współczynników przewodzenia ciepła materiałów i wyrobów budowlanych należy obliczać zgodnie z ISO 10456, jeśli są oparte na danych zmierzonych dostarczonych przez producenta. W innych przypadkach współczynnik przewodzenia ciepła przyjmuje się z wartości tabelarycznych. Szablon wartości domyślnych podano w Tablicy A.3, z informacyjnym wykazem domyślnym podanym w Tablicy B.3. Współczynnik przewodzenia ciepła gruntu należy przyjąć jako 2,0 W/(m·K), chyba że inną (inne) wartość(-ci) podano w Tablicy A.3.

8.3 Opory powierzchni

W przypadku obliczania strumieni ciepła, opory powierzchni powinny być zgodne z ISO 6946, w zależności od kierunku przepływu ciepła. Jednak wartość Rsi, odpowiadającą poziomemu przepływowi ciepła, można zastosować do wszystkich powierzchni, gdy:

  • kierunek przepływu ciepła jest niepewny lub może się zmieniać, lub
  • cały budynek jest modelowany w obliczeniu pojedynczym.

W przypadku obliczania temperatur powierzchni wewnętrznej w celu oceny ryzyka kondensacji, opory powierzchni powinny być zgodne z ISO 13788.

8.4 Temperatury brzegowe

W Tablicy 7 podano temperatury brzegowe, które należy stosować.

Tablica 7 – Temperatury brzegoweTablica 7 – Temperatury brzegowe


8.5 Współczynnik przewodzenia ciepła warstw prawie jednorodnych

Współczynnik przewodzenia ciepła warstw prawie jednorodnych należy obliczyć zgodnie z Wzorem (2), Wzorem (3) oraz Wzorem (4).

8.6 Równoważny współczynnik przewodzenia ciepła szczelin powietrznych

Szczelinę powietrzną należy uznać za materiał przewodzący jednorodnie o współczynniku przewodzenia ciepła, λg. Jeżeli opór ciepła warstwy powietrza lub szczeliny jest znany, jego równoważny współczynnik przewodzenia ciepła, λg, otrzymuje się z Wzoru (5): λg = dg/Rg w którym:

  • dg - grubość warstwy powietrza;
  • Rg - opór cieplny w głównym kierunku przepływu ciepła.

Opory cieplne warstw powietrza i szczelin, wbudowane w materiały nieprzeźroczyste, należy obliczać zgodnie z procedurą podaną w ISO 6946. Opór cieplny warstw powietrza w oszkleniu wielokrotnym, patrz EN 673. Informacje na temat traktowania szczelin w ramach okiennych podano w ISO 10077-2. Szczeliny powietrzne o wymiarach większych niż 0,5 m wzdłuż każdej osi prostopadłej należy traktować jak pomieszczenia (patrz 8.7).

8.7 Określanie temperatury w przyległym pomieszczeniu nieogrzewanym

Jeżeli są dostępne wystarczające informacje, temperaturę w przyległym pomieszczeniu nieogrzewanym należy obliczyć zgodnie z ISO 13789. Jeżeli temperatura w przyległym pomieszczeniu nieogrzewanym jest nieznana i nie może być obliczona zgodnie z ISO 13789, z powodu niedostępności koniecznych informacji, to przepływów ciepła i temperatur powierzchni wewnętrznych nie można obliczyć. Jednak wszystkie wymagane współczynniki sprzężenia i czynniki wagowe temperatury można obliczyć i przedstawić zgodnie z Załącznikiem E.

Metoda obliczania

9.1 Technika rozwiązania

Model geometryczny dzieli się na wiele komórek, każda z charakterystycznym punktem (nazwanym węzłem). Stosując prawo zachowania energii (div q = 0) oraz prawo Fouriera (q = – λ grad θ) i biorąc pod uwagę warunki brzegowe, otrzymuje się układ równań będący funkcją temperatur w węzłach. Rozwiązując ten układ, albo techniką bezpośredniego rozwiązania, albo metodą iteracyjną, uzyskuje się temperatury węzłów, z których można określić pole temperatury. Z rozkładu temperatury można obliczyć przepływy ciepła, przez zastosowanie prawa Fouriera. Metody obliczania należy weryfikować zgodnie z wymaganiami Załącznika C.

9.2 Zasady obliczania

9.2.1 Przepływy ciepła między komórkami materiału a przyległym środowiskiem

Gęstość strumienia ciepła, q, prostopadłego do powierzchni przylegania komórki materiału z sąsiednim środowiskiem powinna być zgodna z Wzorem (6): q =( θ-θs)/Rs

w którym:

  • θ - wewnętrzna lub zewnętrzna temperatura odniesienia;
  • θs - temperatura przy wewnętrznej lub zewnętrznej powierzchni;
  • Rs - wewnętrzny lub zewnętrzny opór przejmowania ciepła powierzchni.

9.2.2 Przepływy ciepła przy płaszczyznach przekroju

Płaszczyzny przekroju powinny być adiabatyczne (tzn. zerowy przepływ ciepła).

9.2.3 Rozwiązanie wzorów

Wzory należy rozwiązać zgodnie z wymaganiami podanymi w C.2.

9.2.4 Obliczenie rozkładu temperatury

Rozkład temperatury w obrębie każdej komórki materiału należy obliczyć przez interpolację między temperaturami węzłów.

UWAGA: Wystarczająca jest interpolacja liniowa.

Określenie współczynników sprzężenia cieplnego i strumienia ciepła z obliczeń 3-D

10.1 Dwie temperatury brzegowe, model niepodzielony

Jeżeli istnieją tylko dwa środowiska o dwóch różnych temperaturach (np. jedna temperatura wewnętrzna i jedna temperatura zewnętrzna), i jeżeli całe pomieszczenie lub budynek oblicza się trójwymiarowo z modelu pojedynczego, wówczas całkowity współczynnik sprzężenia cieplnego, L3D,1,2, otrzymuje się z całkowitego strumienia ciepła, Φ, pomieszczenia lub budynku, jak podano we Wzorze (7): Φ = L3D,1,2 (θ1 – θ2)

10.2 Dwie temperatury brzegowe, model podzielony

Jeżeli pomieszczenie lub budynek został podzielony (patrz Rysunek 14), całkowitą wartość L3D,i,j oblicza się z Wzoru (8): 

WzórWzór


w którym:

  • L3D,(i,j) -  współczynnik sprzężenia cieplnego otrzymany z obliczenia 3-D dla części n pomieszczenia lub budynku;
  • L2D,m(i,j) - współczynnik sprzężenia cieplnego otrzymany z obliczenia 2-D dla części m pomieszczenia lub budynku;
  • lm - długość, na której stosuje się wartość L2D,m(i,j);
  • Uk(i,j) - współczynnik przenikania ciepła otrzymany z obliczenia 1-D dla części k pomieszczenia lub budynku;
  • Ak - pole powierzchni, na którym stosuje się wartość Uk;
  • Nn - całkowita liczba części 3-D;
  • Nm - całkowita liczba części 2-D;
  • Nk - całkowita liczba części 1-D.

UWAGA: We Wzorze (8), ΣAk jest mniejsze niż całkowite pole powierzchni obudowy, ponieważ niektóre pola powierzchni zawarto w członach 2-D i 3-D.

Rysunek 14 – Obudowa budynku podzielona na modele geometryczne 3-D, 2-D oraz 1-DRysunek 14 – Obudowa budynku podzielona na modele geometryczne 3-D, 2-D oraz 1-D

10.3 Więcej niż dwie temperatury brzegowe

Strumień ciepła, Φi,j, ze środowiska i do związanego cieplnie środowiska j wyraża się Wzorem (9): Φi,j = L3D,i,j · (θi – θj)

Całkowity strumień ciepła z pomieszczenia lub budynku można obliczyć z zastosowaniem zasad podanych w Rozdziale 5. Strumień ciepła z/do pomieszczenia w temperaturze θi można obliczyć ze Wzoru (10):

WzórWzór


w którym:

  • L3D,i,j - współczynniki sprzężenia cieplnego między pomieszczeniem i przyległymi pomieszczeniami lub środowiskami zewnętrznymi;
  • θj - temperatury pomieszczeń przyległych lub środowisk zewnętrznych.

Całkowity strumień ciepła z/do budynku można obliczyć z Wzoru (11):

WzórWzór


w którym:

  • θi - temperatury pomieszczeń wewnętrznych;
  • θj - temperatury środowisk zewnętrznych;
  • L3D,i,j - odpowiadające współczynniki sprzężenia.

UWAGA: W E.1 podano metodę obliczania współczynników sprzężenia cieplnego.

Obliczenia z zastosowaniem liniowych i punktowych współczynników przenikania ciepła z obliczeń 3-D

11.1 Obliczenie współczynnika sprzężenia cieplnego

Związek pomiędzy L3D,i,j a współczynnikami przenikania ciepła podaje Wzór (12):

WzórWzór

w którym:

  • Uk(i,j) - współczynnik przenikania ciepła części k pomieszczenia lub budynku;
  • Ak - pole powierzchni, na której stosuje się wartość Uk(i,j);
  • Ψm(i,j) - liniowy współczynnik przenikania ciepła części m pomieszczenia lub budynku;
  • lm - długość, na której stosuje się wartość Ψm(i,j);
  • χn(i,j) - punktowy współczynnik przenikania ciepła części n pomieszczenia lub budynku;
  • Nk - liczba współczynników przenikania ciepła;
  • Nm - liczba liniowych współczynników przenikania ciepła;
  • Nn - liczba punktowych współczynników przenikania ciepła.

UWAGA 1: We Wzorze (12) ΣAk jest równe całkowitemu polu powierzchni obudowy.

UWAGA 2: L3D,i,j odpowiada współczynnikowi przenoszenia ciepła, H, stosowanemu w innych normach.

11.2  Obliczenie liniowych i punktowych współczynników przenikania ciepła

Wartości Ψ określa się z Wzoru (13):

WzórWzór


w którym:

  • L2D współczynnik sprzężenia cieplnego otrzymany z obliczenia 2-D komponentu, oddzielającego dwa rozpatrywane środowiska;
  • Uj - współczynnik przenikania ciepła komponentu 1-D, j, oddzielającego dwa rozpatrywane środowiska;
  • lj - długość, na której stosuje się wartość Uj.

Wartości χ określa się z Wzoru (14):

WzórWzór


w którym:

  • L3D współczynnik sprzężenia cieplnego otrzymany z obliczenia komponentu 3-D, oddzielającego dwa rozpatrywane środowiska;
  • Ui - współczynnik przenikania ciepła 1-D komponentu i, oddzielającego dwa rozpatrywane środowiska;
  • Ai - pole powierzchni, na której stosuje się wartość Ui;
  • Ψj - liniowy współczynnik przenikania ciepła obliczony z zastosowaniem Wzoru (18);
  • lj - długość, na której stosuje się wartość Ψj;
  • Nj - liczba komponentów 2-D;
  • Ni - liczba komponentów 1-D.

Podczas określania wartości Ψ oraz χ konieczne jest ustalenie, które wymiary (np. wewnętrzne lub zewnętrzne) stosuje się, ponieważ dla kilku typów mostków cieplnych wartości Ψ oraz χ zależą od tego wyboru.

UWAGA: W Załączniku D podano przykłady obliczania wartości Ψ oraz χ.

Określanie współczynnika sprzężenia cieplnego, strumienia ciepła i liniowego współczynnika przenikania ciepła z obliczeń 2-D

12.1 Dwie temperatury brzegowe

Strumień ciepła na metr długości, Φl, liniowego mostka cieplnego ze środowiska wewnętrznego, oznaczonego indeksem „int”, do środowiska zewnętrznego, oznaczonego indeksem „e” wyraża się Wzorem (15):

Φl = L2D · (θint – θe)

w którym L2D jest współczynnikiem sprzężenia cieplnego otrzymanym z obliczenia komponentu 2-D oddzielającego dwa rozpatrywane środowiska.

12.2  Więcej niż dwie temperatury brzegowe

Strumień ciepła, Φi,j, ze środowiska i do związanego cieplnie środowiska j jest dany Wzorem (16):

Φi,j = L2D,i,j · (θi – θj)

W przypadku więcej niż dwóch środowisk o różnych temperaturach (np. różne temperatury wewnętrzne lub różne temperatury zewnętrzne), całkowity strumień ciepła Φ z/do pomieszczenia lub budynku można obliczyć z Wzoru (17):

WzórWzór


w którym L2D,i,j są współczynnikami sprzężenia cieplnego między każdą parą środowisk.

12.3 Określanie liniowego współczynnika przenikania ciepła

Rozpatrywany liniowy współczynnik przenikania ciepła liniowego mostka cieplnego, oddzielającego dwa rozpatrywane środowiska, Ψ, wyraża się Wzorem (18):

WzórWzór


w którym:

  • Uj - współczynnik przenikania ciepła j komponentu 1-D, oddzielającego dwa rozpatrywane środowiska;
  • lj - długość w obrębie modelu geometrycznego 2-D, do którego stosuje się wartość Uj;
  • Nj - liczba komponentów 1-D.

Podczas określania liniowego współczynnika przenikania ciepła konieczne jest ustalenie, które wymiary (np. wewnętrzne czy zewnętrzne) stosuje się, ponieważ dla wielu typów mostków cieplnych wartość liniowego współczynnika przenikania ciepła zależy od tego wyboru.

12.4 Określanie liniowego współczynnika przenikania ciepła połączeń ściana-podłoga

12.4.1 Wszystkie przypadki

Obliczenia komputerowe z zastosowaniem dwuwymiarowego modelu geometrycznego można stosować do określenia wartości liniowego współczynnika przenikania ciepła połączeń ściana-podłoga. Wymodelować wszystkie szczegóły, łącznie z połową szerokości podłogi lub 4 m szerokością podłogi, (w zależności od tego, która wielkość jest mniejsza) i przekrojem ściany do wysokości hW; obliczyć L2D jako strumień ciepła na różnicę temperatury i na długość obwodu. Wartość hW powinna być minimalną odległością od połączenia do przekroju poprzecznego, zgodnie z kryteriami w 7.2.3, a wartość hf powinna być wysokością górnej płyty podłogi powyżej poziomu gruntu (patrz Rysunek 15). Wymiary modelu na zewnątrz budynku i poniżej poziomu gruntu przekraczają 2,5 razy szerokość podłogi lub 20 m (w zależności od tego, która wielkość jest mniejsza). Patrz także 7.2.5. Jeżeli obliczenie wykonano z zastosowaniem 4 m szerokości podłogi (tzn. B = 8 m), wynik można stosować do każdej podłogi o większym wymiarze (B > 8 m). Obliczenie kontynuuje się więc z zastosowaniem opcji A (patrz 12.4.2) lub opcji B (patrz 12.4.3). Szablon do określania wyboru pomiędzy tymi opcjami podano w Tablicy A.4, z informacyjnym wykazem domyślnym podanym w Tablicy B.4.

12.4.2 Opcja A

12.4.2.1 Poziom podłogi wewnątrz jest równy lub wyższy niż poziom gruntu na zewnątrz

L2D uzyskuje się za pomocą obliczeń komputerowych całego detalu (łącznie z podłożem, izolacją krawędzi, jeśli jest to odpowiednie). UW oblicza się z zastosowaniem ISO 6946, natomiast Ug oblicza się z zastosowaniem procedury uproszczonej podanej w ISO 13370, łącznie z wszelkimi izolacjami płyty podłogowej na całej powierzchni oraz, w stosownych przypadkach, korektą izolacji krawędzi (patrz Rysunek 15). Obliczyć Ψg z Wzoru (19), stosując wymiary wewnętrzne, i z Wzoru (20), stosując wymiary zewnętrzne:

Ψg = L2D – hW · UW – 0,5 × B · Ug

Ψg = L2D – (hW + hf) · UW – (0,5 × B + w) · Ug przy czym UW jest współczynnikiem przenikania ciepła ściany powyżej gruntu, jak zostało to wymodelowane w obliczeniu komputerowym.

Rysunek 15 – Model obliczania liniowego współczynnika przenikania ciepła połączenia ściana-podłoga (poziom podłogi wewnątrz jest równy lub wyższy niż poziom gruntu na zewnątrz)Rysunek 15 – Model obliczania liniowego współczynnika przenikania ciepła połączenia ściana-podłoga (poziom podłogi wewnątrz jest równy lub wyższy niż poziom gruntu na zewnątrz)


12.4.2.2 Poziom podłogi wewnątrz jest poniżej poziomu gruntu na zewnątrz

L2D uzyskuje się za pomocą obliczeń komputerowych całych detali (w tym podłoża, podziemi i izolacji krawędzi, jeśli jest to odpowiednie). UW oblicza się z zastosowaniem ISO 6946, natomiast Ug i Uw,b oblicza się z zastosowaniem procedury uproszczonej podanej w ISO 13370 dla ogrzewanego podziemia, łącznie z wszelkimi izolacjami płyty podłogowej i przejścia przez ścianę podziemia oraz, jeśli jest to odpowiednie, uwzględnienie głębokości podziemia i korekty izolacji krawędzi (patrz Rysunek 16). Obliczyć Ψg z Wzoru (21), stosując wymiary wewnętrzne i z Wzoru (22), stosując wymiary zewnętrzne:

Ψg = L2D – (hW – hf) · UW – hf · UW,b – 0,5 × B Ug

Ψg = L2D – (hW – hf) · UW – hf · UW,b – (0,5 × B + w) · Ug

przy czym: UW - współczynnik przenikania ciepła ściany powyżej gruntu, jak wymodelowano w obliczeniu komputerowym; Uw,b współczynnik przenikania ciepła ściany podziemia, jak obliczono w ISO 13370.

Rysunek 16 – Model obliczania liniowego współczynnika przenikania ciepła połączenia ściana-podłoga (poziom podłogi wewnątrz jest poniżej poziomu gruntu na zewnątrz)Rysunek 16 – Model obliczania liniowego współczynnika przenikania ciepła połączenia ściana-podłoga (poziom podłogi wewnątrz jest poniżej poziomu gruntu na zewnątrz)

12.4.3 Opcja B

12.4.3.1 Poziom podłogi wewnątrz jest równy lub wyższy niż poziom gruntu na zewnątrz

Usunąć ścianę do poziomu dolnej części płyty podłogowej (patrz Rysunek 17). Zastosować granice adiabatyczne, gdy ściana była wcześniej w kontakcie z płytą podłogi lub gruntem. Uzyskać L2D,a poprzez drugie obliczenie komputerowe poprawionego szczegółu. Zarówno L2D, jak i L2D,a uzyskuje się z obliczeń komputerowych, zgodnie z procedurą opisaną w 12.4; UW oblicza się zgodnie z ISO 6946.

Zatem

Ψg = L2D – hW · UW – L2D,a

Rysunek 17 – Model drugiego obliczenia komputerowego dla opcji B (poziom podłogi wewnątrz jest równy lub wyższy niż poziom gruntu na zewnątrz)Rysunek 17 – Model drugiego obliczenia komputerowego dla opcji B (poziom podłogi wewnątrz jest równy lub wyższy niż poziom gruntu na zewnątrz)

12.4.3.2 Poziom podłogi wewnątrz jest poniżej poziomu gruntu na zewnątrz

Wymienić cały materiał pod powierzchnią gruntu (ale zachowując całą izolację podłogi) i usunąć ścianę do poziomu dolnej części płyty podłogi (patrz Rysunek 18). Zastosować granice adiabatyczne, gdy ściana była wcześniej w kontakcie z płytą podłogi lub gruntem. Uzyskać L2D,a przez drugie obliczenie komputerowe na zmienionym szczególe. Zarówno L2D, jak i L2D,a, uzyskuje się z obliczeń komputerowych zgodnie z procedurą opisaną w 12.4. UW oblicza się zgodnie z ISO 6946.

Zatem

Ψg = L2D – (hW –hf) · UW – L2D,a

Rysunek 18 – Model drugiego obliczenia komputerowego dla opcji B (poziom podłogi wewnątrz jest poniżej poziomu gruntu na zewnątrz)Rysunek 18 – Model drugiego obliczenia komputerowego dla opcji B (poziom podłogi wewnątrz jest poniżej poziomu gruntu na zewnątrz)


12.5 Określanie zewnętrznego współczynnika okresowego przenoszenia ciepła podłóg na gruncie

W przypadku komputerowej metody obliczania zależnej od czasu można zastosować model geometryczny wg 12.4 w celu określenia zarówno Ψg, jak i zewnętrznego współczynnika okresowego przenoszenia ciepła, Hpe. Zaleca się zastosowanie takiej wielkości, która zapewni stabilność obliczania. Określić średni całkowity przepływ ciepła przez powierzchnie wewnętrzne, w W/m, dla każdego miesiąca w roku. Obliczanie kontynuuje się dopóki przepływ ciepła przez powierzchnie wewnętrzne dla grudnia ostatniego roku nie różni się mniej niż o 1 % od przepływu ciepła w grudniu roku poprzedniego.

Zazwyczaj można to uzyskać, uwzględniając w obliczeniach okres co najmniej 10 lat. Utrzymuje się stałą wartość temperatury wewnętrznej, θi, a temperaturę zewnętrzną, w czasie t, w °C, θe(t), wyraża Wzór:

Temperatura zewnętrzna - wzórTemperatura zewnętrzna - wzór


Dalsze informacje, łącznie z właściwościami gruntu, patrz ISO 13370. Dla każdego miesiąca obliczyć przepływ ciepła, qm, dodatkowo do uwzględnionego przez UW oraz Ug, zgodnie z Wzorem 26:

Przepływ powietrza - wzoryPrzepływ powietrza - wzory

Określanie temperatury przy powierzchni wewnętrznej

13.1 Określanie temperatury przy powierzchni wewnętrznej z obliczeń 3-D

13.1.1 Dwie temperatury brzegowe

Jeżeli istnieją tylko dwa rozpatrywane środowiska i podłoże nie jest częścią modelu geometrycznego, temperatury powierzchni można wyrazić w postaci bezwymiarowej zgodnie z Wzorem (29):

Temperatury brzegowe - wzórTemperatury brzegowe - wzór


Czynnik temperatury należy obliczyć z błędem mniejszym niż 0,005.

13.1.2  Więcej niż dwie temperatury brzegowe

Jeżeli istnieją więcej niż dwie temperatury brzegowe, należy zastosować czynnik wagowy temperatury, g. Czynniki wagowe temperatury zapewniają środki do obliczania temperatury w każdym położeniu na powierzchni wewnętrznej o współrzędnych (x, y, z), jako funkcji liniowej każdego zestawu temperatur brzegowych.

UWAGA 1: Rozpatruje się co najmniej trzy temperatury brzegowe, jeżeli model geometryczny uwzględnia środowiska wewnętrzne o różnych temperaturach.

Stosując czynniki wagowe temperatury, temperatura powierzchni w miejscu (x, y, z) w środowisku j jest dana Wzorem (30): θj (x, y, z) = gj,1 (x, y, z) · θ1 + gj,2 (x, y, z) · θ2 + …… + gj,n (x, y, z) · θn i Wzorem (31):

gj,1 (x, y, z) + gj,2 (x, y, z) + …… + gj,n (x, y, z) = 1

UWAGA 2: W E.3 podano metodę obliczania czynników wagowych. Obliczyć temperaturę powierzchni wewnętrznej, θsi, w rozpatrywanym położeniu, podstawiając obliczone wartości gj,i i rzeczywiste temperatury brzegowe, θi, do Wzoru (30).

UWAGA 3: Rozpatrywane położenie jest zazwyczaj punktem o najniższej temperaturze powierzchni wewnętrznej. To położenie może się zmieniać, jeśli temperatury brzegowe zostaną zmienione.

13.2 Określanie temperatury przy powierzchni wewnętrznej z obliczeń 2-D

13.2.1 Dwie temperatury brzegowe

Jeżeli istnieją tylko dwa rozpatrywane środowiska, temperatury powierzchni można wyrazić w postaci bezwymiarowej, zgodnie z Wzorem (32):

Dwie temperatury brzegowe - wzórDwie temperatury brzegowe - wzór


Czynnik temperatury należy obliczyć z błędem mniejszym niż 0,005.

13.2.2 Trzy temperatury brzegowe

Jeżeli istnieją trzy temperatury związane, należy zastosować czynniki wagowe temperatury, g. Czynniki wagowe temperatury zapewniają środki do obliczenia temperatury w każdym położeniu powierzchni wewnętrznej o współrzędnych (x, y), jako funkcji liniowej każdego zestawu temperatur brzegowych. Temperatury powierzchni w położeniu (x, y) w środowisku j są wyrażone Wzorem (33): θj (x, y) = gj,1 (x, y) · θ1 + gj,2 (x, y) · θ2 + gj,3 (x, y) · θ3 i Wzorem (34): gj,1 (x, y) + gj,2 (x, y) + gj,3 (x, y) = 1 (34)

UWAGA: Czynniki wagowe w rozpatrywanym położeniu można obliczyć zgodnie z Załącznikiem E. Rozpatrywane położenie jest zazwyczaj punktem o najniższej temperaturze powierzchni wewnętrznej. To położenie może się zmieniać, jeżeli temperatury brzegowe zostaną zmienione.

Raport

14.1 Dane wejściowe

Raport z obliczeń powinien zawierać następujące informacje:

a) opis struktury:

  • płaszczyzny budynku, w tym wymiary i materiały;
  • dla kompletnego budynku, wszelkie znane zmiany w konstrukcji i/lub pomiary fizyczne oraz szczegóły z kontroli;
  • inne odpowiednie uwagi;

b) opis modelu geometrycznego:

  • model geometryczny 2-D lub 3-D z wymiarami;
  • dane wejściowe, pokazujące położenie płaszczyzn konstrukcyjnych i wszelkie pomocnicze płaszczyzny,
  • łącznie ze współczynnikami przewodzenia ciepła różnych materiałów;
  • zastosowane temperatury brzegowe;
  • obliczenie temperatury brzegowej w przyległym polu powierzchni, w stosownych wypadkach;
  • opory powierzchni i pola powierzchni, do których się one stosują;
  • wszelkie dopasowania wymiarowe zgodnie z 7.3.2;
  • wszelkie warstwy prawie jednorodne i współczynniki przewodzenia ciepła, obliczone zgodnie z 7.3.3;
  • wszelkie zastosowane wartości nieznormalizowane, z dostosowaniem zmian od wartości standardowych (patrz 8.1).

14.2 Dane wyjściowe

14.2.1 Postanowienia ogólne

Poniższe wyniki obliczeń należy zamieścić w raporcie jako wartości, które są niezależne od temperatur brzegowych: współczynnik sprzężenia cieplnego L3D lub L2D między pomieszczeniami przylegającymi włączonymi w przenoszenie ciepła przez komponenty budowlane;

UWAGA 1: Przykład podano w Tablicy E.2.

  • w stosownych wypadkach, liniowy współczynnik przenikania ciepła, Ψ, liniowego mostka cieplnego, z ustaleniem, czy zostały zastosowane wymiary wewnętrzne czy zewnętrzne;
  • czynnik temperatury, fRsi, dla punktów najniższych temperatur powierzchni w każdym pomieszczeniu związanym (łącznie z położeniem tych punktów); jeżeli zastosowano więcej niż dwie temperatury brzegowe, w raporcie należy podać czynniki wagowe temperatury.

UWAGA 2: Przykład jak podawać w raporcie czynniki wagowe temperatury określono w Tablicy E.4.

Wszystkie wartości wyjściowe należy podać z dokładnością co najmniej do trzech cyfr znaczących.

14.2.2 Obliczanie przenikania ciepła z zastosowaniem współczynnika sprzężenia cieplnego

Przenikanie ciepła ze środowiska i do środowiska j wyraża Wzór (10) – jeżeli istnieją więcej niż dwie temperatury brzegowe, Wzór (9) – jeżeli istnieją dwie temperatury brzegowe lub Wzór (15) – dla modelu geometrycznego 2-D.

14.2.3 Obliczanie temperatur powierzchni z zastosowaniem współczynników wagowych

Najniższa temperatura powierzchni wewnętrznej wyeksponowanej do pomieszczenia j jest dana Wzorem (30) dla modelu geometrycznego 3-D lub Wzorem (33) dla modelu geometrycznego 2-D.

14.2.4 Dodatkowe dane wyjściowe

W przypadku szczególnego zestawu temperatur brzegowych należy podać następujące wartości dodatkowe:

  • strumienie ciepła, w watach na metr (dla przypadków 2-D) lub w watach (dla przypadków 3-D), dla każdej pary rozpatrywanych pomieszczeń;
  • minimalne temperatury powierzchni, w stopniach Celsjusza, i położenie punktów o minimalnej temperaturze powierzchni w każdym rozpatrywanym pomieszczeniu.

14.2.5 Szacowanie błędu

Zastosowanie procedur komputerowych pozwala uzyskać rozwiązania przybliżone, które przelicza się na rozwiązania analityczne, jeżeli takie istnieją. W celu oceny realności wyników zaleca się oszacowanie błędu miejscowego, w sposób opisany poniżej.

  • W celu oszacowania błędów spowodowanych niewystarczającą liczbą komórek należy wykonać dodatkowe obliczenie(-a) zgodnie z C.2. Należy ustalić różnicę wyników obu obliczeń.
  • W celu oszacowania błędów powstających w komputerowym rozwiązaniu układu równań należy podać sumę przepływów ciepła (dodatnich i ujemnych) przez wszystkie brzegi komponentu budowlanego podzieloną przez całkowity przepływ ciepła.

UWAGA: W C.2 określono, że iloraz ten powinien być mniejszy niż 0,000 1.

Szablon do określania maksymalnego dopuszczalnego błędu podano w Tablicy A.5, z informacyjnym wyborem domyślnym podanym w Tablicy B.5.


Karol, główny inżynier Pewny Lokal

Potrzebujesz profesjonalnej pomocy w odbiorze technicznym?

Rezerwuj online
Karol, główny inżynier Pewny Lokal
Pewny Lokal to największa w Polsce firma inżynieryjna specjalizująca się w odbiorach mieszkań i domów. Co miesiąc pomagamy setkom nabywców w odbiorze nieruchomości od dewelopera. Mamy najwięcej pozytywnych opinii. Dowiedz się, dlaczego warto nam zaufać tutaj.

Poznaj Pewny Lokal

  1. Jesteśmy jedyną w Polsce firmą kompleksowo pomagającą w bezpiecznym zakupie mieszkania zarówno od dewelopera, jak i na rynku wtórnym.
  2. Pomogliśmy ponad 30 000 klientów w odbiorze mieszkania od dewelopera.
  3. Poza odbiorami pomagamy również w analizie umów od dewelopera oraz przeprowadzamy kompleksowe audyty techniczne i prawne na rynku wtórnym.
  4. Wreszcie pomagamy też w innych kwestiach, m.in. audycie działki, badaniu termowizyjnym lub przy sprawdzeniu ekipy wykończeniowej.
  5. Termin odbioru, analizy prawnej lub innej usługi możesz wygodnie zarezerwować online tutaj.

Udostępniamy płatne normy budowlane i co nam zrobicie?

Zapraszamy do wysłuchania 30. odcinka podcastu Pewny Lokal.

Artykuły, które mogą Cię zainteresować

Czym jest odbiór techniczny mieszkania i dlaczego warto go zlecić specjaliście?

Dowiedz się, jak zaoszczędzić czas i nerwy na odbiorze technicznym.

Czy nasz artykuł pomógł Ci w Twoim problemie? Podziel się zdobytą wiedzą ze znajomymi!

Oceń artykuł:

  • grade
  • grade
  • grade
  • grade
  • grade
Kupno mieszkania a lokatorzy
Średnia 5/5 na podstawie 163 opinii.

Potrzebujesz profesjonalnej pomocy w odbiorze technicznym?

Rezerwuj online

Odbierz mieszkanie z Pewny Lokal:

Ogólnopolska skala

Ogólnopolska skala

Działamy na terenie całej Polski.

Dyspozycyjność

Dyspozycyjność

Możemy wykonać odbiór mieszkania w dowolnym terminie.

Sieć fachowców

Sieć fachowców

Audyty wykonują przeszkoleni inżynierowie i inspektorzy.

Jednolity format usług

Jednolity format usług

Ustandaryzowane odbiory mieszkań według sprawdzonego schematu.

Zgromadzona wiedza

Zgromadzona wiedza

Doświadczenie z setek audytów technicznych i prawnych w jednym miejscu.

Dowiedz się, jak bezpiecznie odebrać mieszkanie lub dom na rynku pierwotnym

Poradniki

Zachęcamy do pobrania darmowych poradników przygotowanych przez naszych prawników i inżynierów

Poradnik odbioru technicznego od dewelopera

okładka poradnika

Poradnik poodbiorowy

okładka poradnika

Poradnik o rękojmi nieruchomości

okładka poradnika

Jakie usterki pojawiają się na odbiorze technicznym nieruchomości?

Zobacz, z jakimi przykładowymi problemami spotkał się inżynier Karol podczas odbiorów nieruchomości

Jak sprawdzić nieruchomość?

Audyt nieruchomości to nie tylko równe posadzki i bezpieczne instalacje.

Kliknij na ikonę pewny lokal czarny domek
żeby dowiedzieć się
więcej o usłudze!

strzałka